






▲VWR型
超低回転0.2rpm〜7rpmの中から選べます。
減速機はウォームとヘリカルギャーの組合せで高減速比を取っています。
(ベルトカバーも取付けられます)
減速機はウォームとヘリカルギャーの組合せで高減速比を取っています。
(ベルトカバーも取付けられます)

出力軸回転数(rpm)出力軸許容トルク(kg-m)一覧表
| 型式 VWR |
減速比 | 出力軸回転数 | 出力軸許容トルク | 変速比 | 使用 モーター kW |
||
| 50Hz | 60Hz | 50Hz | 60Hz | ||||
| 430-DF | 1/291 | 1.92〜7.73 | 2.31〜9.27 | 38.0〜20.0 | 38.0〜16.0 | 1:3.5 | 0.4 |
| 440-DF | 1/401 | 1.39〜5.61 | 1.67〜6.73 | 38.0〜33.0 | 38.0〜26.4 | ||
| 420-BF | 1/502 | 1.11〜4.48 | 1.34〜5.37 | 38 | 38.0〜34.0 | ||
| 430-BF | 1/728 | 0.77〜3.09 | 0.92〜3.70 | 38 | 38 | ||
| 440-BF | 1/1004 | 0.56〜2.24 | 0.67〜2.68 | 38 | 38 | ||
| 410-CEK | 1/302 | 1.85〜7.45 | 2.22〜8.94 | 102〜31.0 | 81.6〜25.8 | ||
| 420-DEK | 1/402 | 1.39〜5.60 | 1.67〜6.72 | 109〜35.0 | 87.2〜29.1 | ||
| 410-BEK | 1/504 | 1.11〜4.46 | 1.33〜5.35 | 110〜53.0 | 110〜44.1 | ||
| 410-BFK | 1/736 | 0.76〜3.05 | 0.91〜3.66 | 110〜77.0 | 110〜64.1 | ||
| 420-BEK | 1/1008 | 0.55〜2.23 | 0.66〜2.67 | 110〜90.0 | 110〜75.0 | ||
| 430-CFK | 1/1279 | 0.44〜1.76 | 0.53〜2.11 | 110〜86.0 | 110〜71.6 | ||
| 430-QFK | 1/1765 | 0.32〜1.27 | 0.38〜1.52 | 110 | 100〜98.8 | ||
| 440-QFK | 1/2435 | 0.23〜0.92 | 0.27〜1.10 | 110 | 110 | ||
| 440-BFK | 1/2944 | 0.19〜0.76 | 0.23〜0.91 | 110 | 110 | ||
| 450-BFK | 1/3680 | 0.15〜0.61 | 0.18〜0.73 | 110 | 110 | ||
| 1010-CEK | 1/302 | 1.82〜7.12 | 2.18〜8.54 | 110〜57 | 110〜47.5 | 1:4 | 0.75 |
|
1010-BGK |
1/442 | 1.24〜4.86 | 1.48〜5.83 | 110〜84 | 110〜70.0 | ||
| 1010-QFK | 1/609 | 0.90〜3.53 | 1.08〜4.23 | 110 | 110〜.96.4 | ||
| 1030-DFK | 1/852 | 0.65〜2.52 | 0.78〜3.02 | 110 | 110 | ||
| 1030-CFK | 1/1279 | 0.43〜1.68 | 0.51〜2.01 | 110 | 110 | ||
| 1040-CFK | 1/1764 | 0.31〜1.21 | 0.37〜1.45 | 110 | 110 | ||
| 1040-BFK | 1/2944 | 0.19〜0.73 | 0.22〜0.87 | 110 | 110 | ||

| 形式 VWR |
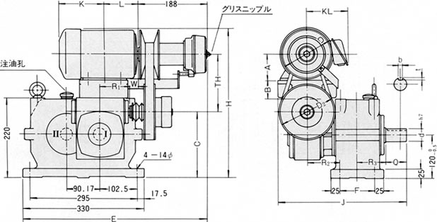
主要寸法 | ||||||||||||||||
| C | TH | H | R1 | W | L | K | KL | A | B | E | D1 | D2 | R2 | d | b | t | |
430-DF、BF 440-DF、BF 420-BF |
183.3 | 159 | 412 | 80 | 18 | 90 | 124 | - | 71 | 50 | 496 | 136 | 155 | 90.5 | 35 | 10 | 4.5 |
410-BFK、CEK、BEK 420-DEK、BEK 430-CFK、QFK 440-BFK、QFK 450-BFK |
76 | 48 | 12 | 4.5 | |||||||||||||
1010-CEK、BGK、QFK 1030-DFK、CFK 1040-CFK、BFK |
199.5 | 180 | 465 | 93 | 25 | 100 | 98 | 135 | 80 | 54 | 516 | 157 | 182 | 78 | |||
| 形式 VWR |
主要寸法 | 出力軸 位置 |
変速機 | 変速ベルト RCVS |
重量 kg |
油量 l |
||||
| Q | F | R3 | J | |||||||
|
430-DF、BF
440-DF、BF 420-BF |
60 | 90 | 73.5 | 349 | Ⅰ | VMAⅢ | 250687 | 64 | 3.1 | |
|
410-BFK、CEK、BEK
420-DEK、BEK 430-CFK、QFK 440-BFK、QFK 450-BFK |
82 | 190 | 109 | 442 | Ⅱ | VMAⅡ | 250687 | 84 | 3.8 | |
|
1010-CEK、BGK、QFK
1030-DFK、CFK 1040-CFK、BFK |
449 | Ⅲ | VMAⅠ | 310775 | 99 | 4.3 | ||||













ページトップ